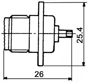
02-076-050

PL FEMMINA DA PANNELLO A FLANGIA

< indietro